logo
メッセージを送る
LINK-PP INT'L TECHNOLOGY CO., LIMITED

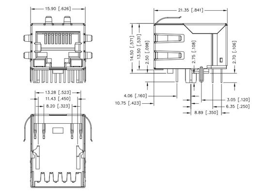
JXD0-9006NLTのG/Yの100BASE-T 8PINの下の単一の左舷RJ45磁気コネクター タブは導いた

磁気 RJ45 ジャック
2023-06-29
3953 意見
今接触
JXD0-9006NLTのG/Yの100BASE-T 8PINの下の単一の左舷RJ45磁気コネクター タブは導いた JXD0-9006NLTは速度10/100の基盤T、それをであるIEEE 802.3、ULの範囲、RoHs、ISO19001のISO14001標準に迎合的支える。それはスイッチ、イーサネット制御、ハブおよび入口の監視システムのようなサポート アプリケーションに、使用することができる... もっと眺め
訪問者のメッセージ メッセージを残してください.
JXD0-9006NLTのG/Yの100BASE-T 8PINの下の単一の左舷RJ45磁気コネクター タブは導いた
JXD0-9006NLTのG/Yの100BASE-T 8PINの下の単一の左舷RJ45磁気コネクター タブは導いた
今接触
もっと学びなさい
関連動画
高速磁気Rj45コネクタ モジュール式J00-0065NL LED付き 00:19
高速磁気Rj45コネクタ モジュール式J00-0065NL LED付き

高速磁気Rj45コネクタ モジュール式J00-0065NL LED付き

磁気 RJ45 ジャック
2025-08-02
Gy/Gの薄型Rj45 Magjackのメス コネクタの下のL836-121T-KD 2.5Gの基盤Tタブは導いた 00:19
Gy/Gの薄型Rj45 Magjackのメス コネクタの下のL836-121T-KD 2.5Gの基盤Tタブは導いた

Gy/Gの薄型Rj45 Magjackのメス コネクタの下のL836-121T-KD 2.5Gの基盤Tタブは導いた

磁気 RJ45 ジャック
2022-05-27
VT-1189SD PDHネットワークLP82440ANLのために適用範囲が広い薄型SMD LAN変圧器 00:49
VT-1189SD PDHネットワークLP82440ANLのために適用範囲が広い薄型SMD LAN変圧器

VT-1189SD PDHネットワークLP82440ANLのために適用範囲が広い薄型SMD LAN変圧器

分離した磁気変圧器
2024-08-19
RJLBC-060TC1 RJ45 モジュラー ジャック 10/100 の BASE-TX によってろ過される統合された LED 00:15
RJLBC-060TC1 RJ45 モジュラー ジャック 10/100 の BASE-TX によってろ過される統合された LED

RJLBC-060TC1 RJ45 モジュラー ジャック 10/100 の BASE-TX によってろ過される統合された LED

磁気 RJ45 ジャック
2025-05-24
LPJ0012BDNL 10/100Base-TのイーサネットRJ45ジャック1左舷1500Vrms分離 00:11
LPJ0012BDNL 10/100Base-TのイーサネットRJ45ジャック1左舷1500Vrms分離

LPJ0012BDNL 10/100Base-TのイーサネットRJ45ジャック1左舷1500Vrms分離

rj45 モジュラー ジャック
2023-04-06
6605814-6 穴 RJ-45 を通した繊維光学 RJ45 磁気ジャックは/タブを持ち上げます 00:22
6605814-6 穴 RJ-45 を通した繊維光学 RJ45 磁気ジャックは/タブを持ち上げます

6605814-6 穴 RJ-45 を通した繊維光学 RJ45 磁気ジャックは/タブを持ち上げます

磁気 RJ45 ジャック
2021-07-23
LPJ0026GENL 10/100M AutoMDIX 磁気 RJ45 ジャック 8P8C の盾 w/LED の 1:1 RoHS 00:20
LPJ0026GENL 10/100M AutoMDIX 磁気 RJ45 ジャック 8P8C の盾 w/LED の 1:1 RoHS

LPJ0026GENL 10/100M AutoMDIX 磁気 RJ45 ジャック 8P8C の盾 w/LED の 1:1 RoHS

磁気 RJ45 ジャック
2024-08-13
HFJ11-E2450E-RL 磁気 RJ45 Jack10/100Base-T LPJ4011CNL ネットワークのエクステンダー 00:18
HFJ11-E2450E-RL 磁気 RJ45 Jack10/100Base-T LPJ4011CNL ネットワークのエクステンダー

HFJ11-E2450E-RL 磁気 RJ45 Jack10/100Base-T LPJ4011CNL ネットワークのエクステンダー

磁気 RJ45 ジャック
2021-07-23
0826-1G1T-23-F RJ45 マグネティックジャック Tab-up 12 コア 1000Base-T 00:19
0826-1G1T-23-F RJ45 マグネティックジャック Tab-up 12 コア 1000Base-T

0826-1G1T-23-F RJ45 マグネティックジャック Tab-up 12 コア 1000Base-T

磁気 RJ45 ジャック
2025-08-26
HFJ11-2450-E 10/100BASE-TX 磁気 RJ45 ジャックの単一の港 LPJ0011CNL FastJack 00:14
HFJ11-2450-E 10/100BASE-TX 磁気 RJ45 ジャックの単一の港 LPJ0011CNL FastJack

HFJ11-2450-E 10/100BASE-TX 磁気 RJ45 ジャックの単一の港 LPJ0011CNL FastJack

磁気 RJ45 ジャック
2021-07-23
ギガビットの磁気学 LPJG0801DNL 管理対象外の媒体のコンバーターとの 48F-01NW2NL RJ45 00:49
ギガビットの磁気学 LPJG0801DNL 管理対象外の媒体のコンバーターとの 48F-01NW2NL RJ45

ギガビットの磁気学 LPJG0801DNL 管理対象外の媒体のコンバーターとの 48F-01NW2NL RJ45

磁気 RJ45 ジャック
2021-07-23
ネットワーキングのための 48F-01GY2DPL2NL 磁気 RJ45 メスのジャック LPJG0801EBNL 00:23
ネットワーキングのための 48F-01GY2DPL2NL 磁気 RJ45 メスのジャック LPJG0801EBNL

ネットワーキングのための 48F-01GY2DPL2NL 磁気 RJ45 メスのジャック LPJG0801EBNL

磁気 RJ45 ジャック
2021-07-23
データCat5、Cat5eのためのHR911130Cネットワーク磁気RJ45ジャック/LANのコネクター 00:28
データCat5、Cat5eのためのHR911130Cネットワーク磁気RJ45ジャック/LANのコネクター

データCat5、Cat5eのためのHR911130Cネットワーク磁気RJ45ジャック/LANのコネクター

磁気 RJ45 ジャック
2021-07-23
コネクター Rj45 J0026D21ENL の脈拍同等の 10/100Base-T 8P8C PCB ジャック 00:25
コネクター Rj45 J0026D21ENL の脈拍同等の 10/100Base-T 8P8C PCB ジャック

コネクター Rj45 J0026D21ENL の脈拍同等の 10/100Base-T 8P8C PCB ジャック

磁気 RJ45 ジャック
2024-05-21
HR911105A ハンラン RJ45 コンネクタ 8P8C 10/100BT 女性 ジャック マイクロドゥイノ ポート 00:50
HR911105A ハンラン RJ45 コンネクタ 8P8C 10/100BT 女性 ジャック マイクロドゥイノ ポート

HR911105A ハンラン RJ45 コンネクタ 8P8C 10/100BT 女性 ジャック マイクロドゥイノ ポート

磁気 RJ45 ジャック
2025-11-18